• Teknolojiyi Mühendislikle Buluşturuyoruz.

Project Info

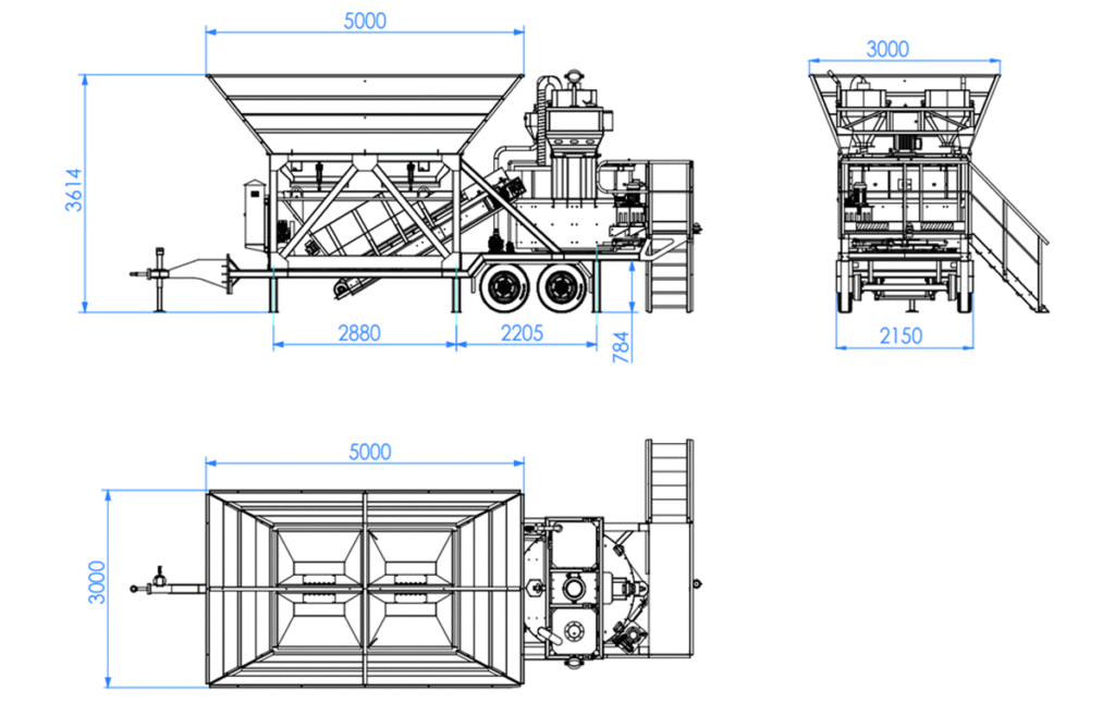
M30

M30-Genel Özellikler

Üretim Kapasitesi / Production Capacity 25-30 m³/h
Mikser Kapasitesi / Mixer Capacity 0.5 m³ (750 L – 500 L)
Mikser Tipi / Mixer Type Single-Shaft Planet Mixer
Bunker Kapasitesi / Aggregate Bunker Capacity 3 x 5 = 15 m³
Çimento Tartım Grubu / Cement Weighing Group 200 kg
Su Tartım Grubu / Water Weighing Group 200 L
Katkı Tartım Grubu / Additive Weighing Group 20 L